帕沃思智能科技有限公司

300W/30V10A

PWS-30V10A 无线充电系统,采用磁感应谐振无线电能传输技术,以极致紧凑的超小体积为核心优势,额定输出功率 300W,额定工作效率≥85%,专为工业移动设备打造高集成、高可靠的无线补能方案。系统以恒流 - 涓流充电管理模式,适配 15~30VDC 输出电压、≤10A 输出电流的锂电 / 磷酸铁锂储能系统,从根源解决传统有线充电的触点磨损、打火、维护繁琐等痛点,广泛适配 AGV、AMR、巡检机器人等对安装空间有严格要求的工业移动设备。

核心设计亮点

1.高功率高效率:300W 额定输出,≥85% 的工作效率

2.全场景环境适应:IP67 高防护等级,-20~55℃宽温工作

3.安全可靠:内置 FOD 金属异物检测功能,从源头规避充电安全风险

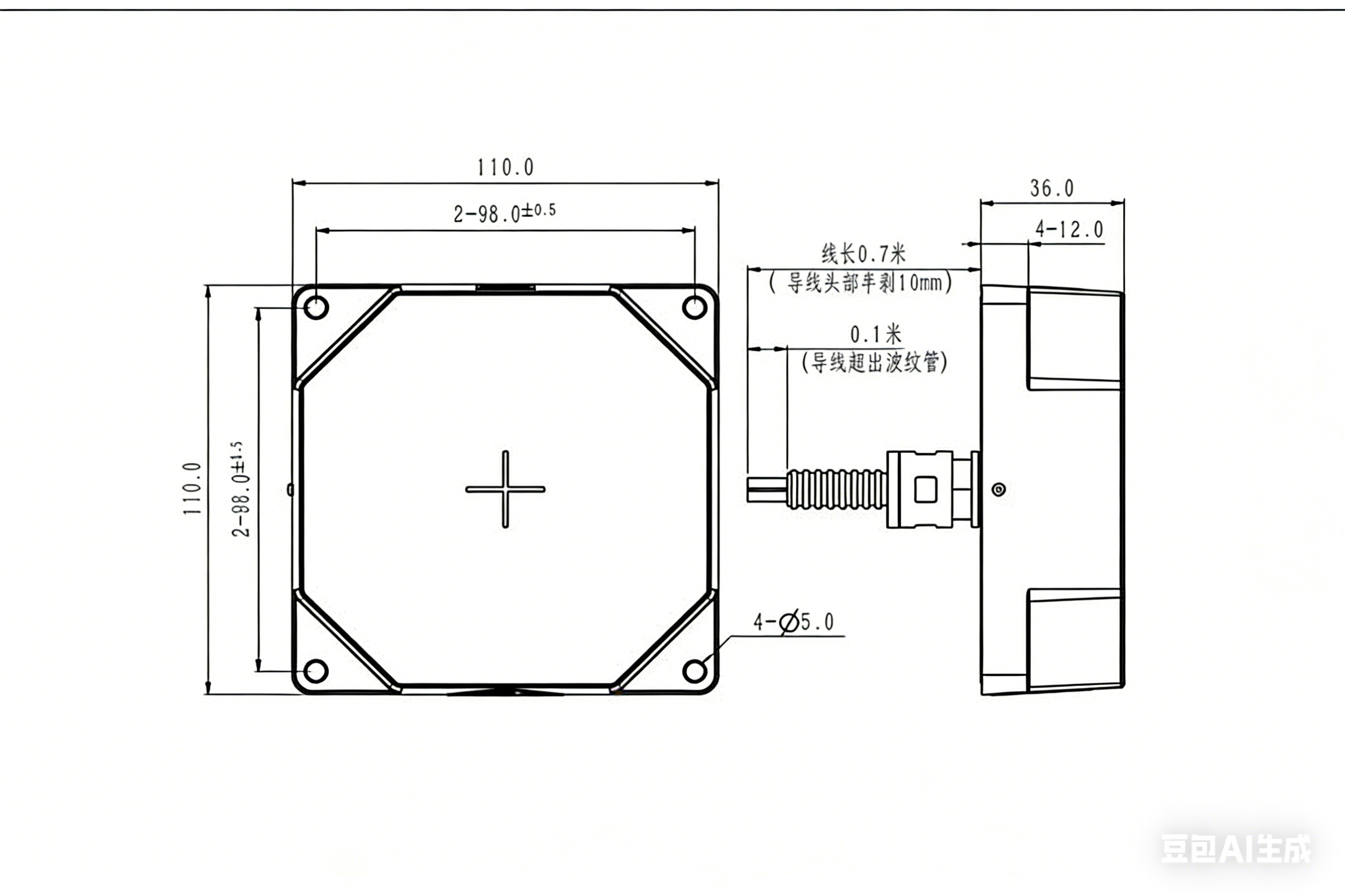
4.超小体积:接收端 110×110×36mm(<1.2kg)、发射端 180×180×36mm(<3kg),全系统 IP67,轻松嵌入狭小安装空间


电气参数

ELECTRICAL PARAMETERS


序号

项目

规格

01

型号

PWS-30V10A

02

额定输出功率

300W

03

额定工作效率

≥85%

04

额定输入电压

60VDC

05

输出电压范围

15~30VDC

06

最大输出电流

≤10A

07

充电管理模式

最大10A(输出电压:12-15V时)

08

充电管理模式

恒流 - 恒压-涓流

09

最佳充电距离(隔空距离)

Z轴:0~20mm

10

允许定位偏移

X轴:±30mm

Y轴:±30mm

11

充电模式 / 兼容性

多对多充电

12

通信接口

接收端:RS485

13

FOD 功能

具备金属异物检测

14

防护等级

IP67

15

保护功能

掉载保护、过流保护、过压保护、温度保护、防反接功能

16

状态指示(灯语说明)

发射器总成 / 接收器总成一致:

1. 绿灯常亮:待机状态(SB)

2. 绿灯闪烁:WIFI 连接成功(SI,AA,IDLE)

3. 绿灯呼吸:充电中(PT)

4. 红灯闪烁:故障(ERR)

5. 全灭:未上电(OFF)


结构参数

STRUCTURAL PARAMETERS


序号

项目

规格

01

发射总成尺寸(长*宽*高)

180mm*180mm*36mm

02

接收总成尺寸(长*宽*高)

110mm*110mm*36mm

03

发射总成重量

<3kg

04

接收总成重量

<1.2kg

05

发射总成防护等级

IP67

06

接收总成防护等级

IP67

应用场景

APPLICATION SCENARIOS

AGV

AMR

挂轨机器人

巡检机器人